連續重整裝置中空氣電加熱器的布置
達瑞電熱消息; 目前我國在建及投產的連續重整裝置多采用美國環球油品公司(以下簡稱 UOP)工藝包或專利技術。連續重整技術的核心為在不停車工況下在線完成廢催化劑的再生及循環利用。結焦的催化劑從反應器底部通過待生催化劑閥門組在氮氣提升下到分離料斗完成分選后,催化劑小球進入再生器經過催化劑的燒焦 氧氯化 干燥及冷卻,完成廢催化劑的再生后提升至重整反應器還原段還原后重新進入反應。其中,控制再生器干燥區入口溫度尤為重要,因為催化劑的含濕量有嚴格要求,會直接影響催化劑的壽命,而干燥區入口溫度由空氣電加熱器實現。
1.工藝流程及配管布置
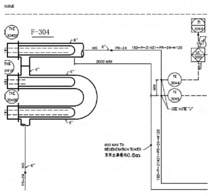
如圖 1 所示為空氣電加熱器至再生器干燥區入口流程圖,按照 UOP 要求,此段管線幾何長度不得超過 3m,且熱電偶TE3045 距再生器不得超過 0. 6m。按照上述要求,通常配管布置有如圖 2 和圖 3 兩種布置方式。圖 2 為電加熱器靠近再生器且空氣電加熱器至再生器干燥區入口流程圖,此時管線幾何長度為 3. 6m;如圖 3 所示,電加熱器出口與干燥區入口正對且同標高,管線幾何長度為 1. 0m。兩種布置方式空氣電加熱器均在構架內。

圖 1 所示為空氣電加熱器至再生器干燥區入口流程圖
圖2電加熱器靠近再生器布置方式
圖3 電加熱器出口與干燥區入口正對布置方式
溫降
2.方案對比
2.1管線溫降
正常情況下,此入口管線要求保溫以減少溫降,從而達到UOP 所要求的 565℃,但在某剛開工煉廠卻出現入口溫度達不到此溫度,最高只達能到 490℃的情況,經逐一分析排查最終發現此段管線保溫不合格。該煉廠此管線按圖 2 方式布置。在不考慮其它因素,管內介質按層流考慮,根據牛頓冷卻公式:Q= KA△t
m,在相同條件下,傳熱面積越大,則熱量損失越大,不難看出一旦現場保溫不合格,圖 2 布置方式比圖 3 布置方式熱量損失大,將很難滿足進口溫度要求,進而導致催化劑含濕量增加,影響催化劑使用性能,進而影響重整產物品質。
2.2管道熱應力
兩種布置方式下相關管線的熱應力計算軟件截圖如圖4、圖5 所示。
圖4 電加熱器靠近再生器布置方式熱應力計算軟件截圖
圖5 電加熱器出口與干燥區入口正對布置方式計算軟件截圖
兩種布置方式均需在 1、2 點處設置彈簧支吊架,但因圖4中有水平管段,可吸收熱漲量,不存在水平位移,而圖 5 中直接與設備管嘴連接,會存在水平位移,因此需在 1、2 處設置導向支架。經計算得出,圖 4 中 1、2 點的垂直荷載為 9751N,設備管嘴3 處垂直荷載為 895N,水平荷載為 1224N;圖 5 中 1 點垂直荷載為11397N,2 點垂直荷載為 6448N,設備管嘴 3 處垂直荷載2259N,水平荷載 5141N。由以上數據得出,圖 2 的電加熱布置方式從管系受力角度考慮要優于圖 3 中所示的布置方式。
2.3換熱器抽芯檢修
空氣電加熱器結構如下圖所示,端子及管束均有抽出檢修需要。結構因強度需要必須在如圖所示位置打撐。圖 2 的布置方式無論人手拉管束還是靠工具拉都會受電加熱器抽芯長度影響,一旦廠家將管束做長,則嚴重影響電加熱器的抽芯檢修。圖 3 的布置方式則受電加熱器管束長度約束較小,只要管束在合理范圍內則都能保證抽芯空間。
3.小結
通過對兩種空氣電加熱器布置方式的對比,不難看出,從有效降低不正常工況(管線保溫不合格) 引起的溫降和檢修角度考慮,圖 3 的布置方式更為合理,而從管係熱應力角度分析,圖2 布置方式能很好的滿足管道的熱應力要求。但是通過調整彈簧支吊架荷載以及增設導向支架等措施,圖 3 的布置方式也能滿足管道受力要求。因此,綜合考慮,建議采用圖 2 的布置方式。